Description
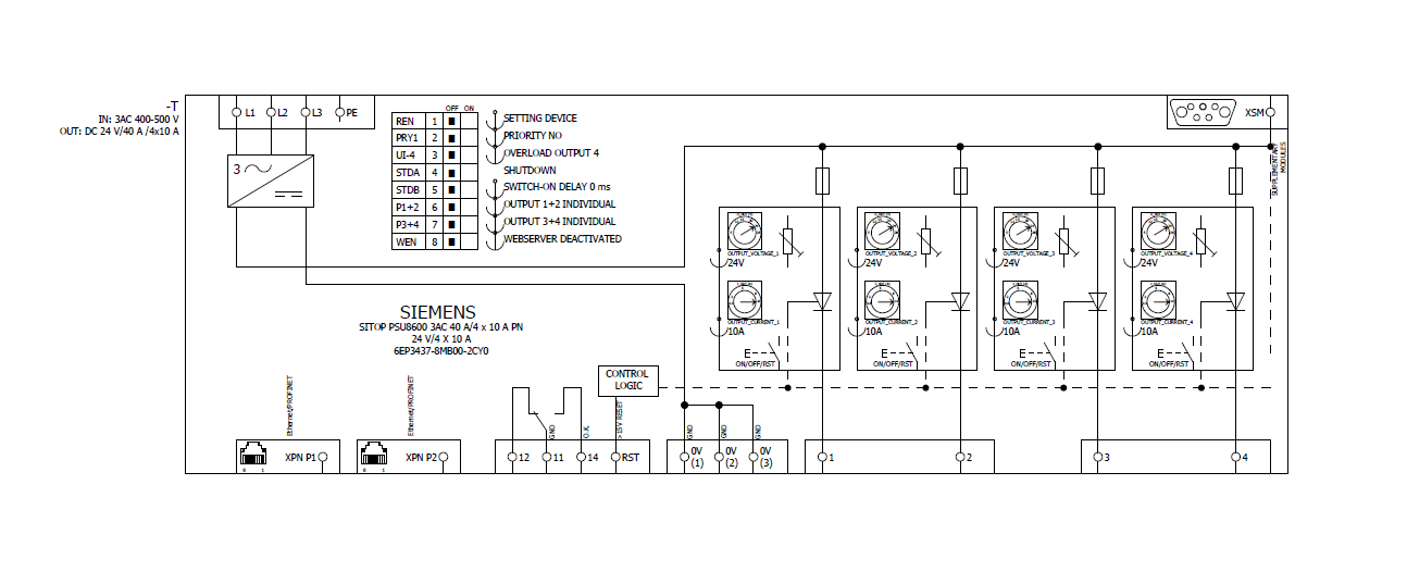
SITOP PSU8600 3AC 40 A/4x10 A PN stabilized power supply input: 400-500 V 3 AC output: 24 V DC/40 A/4x 10 A with PN/IE connection web server integrated OPC UA server integrated The 3-phase basic units of the SITOP PSU8600 power supply system are optimally suited for use in larger plants or machines with networked (PROFINET) automation systems and strict requirements for reliability, functionality and system integration. Within its very compact overall width, the SITOP PSU8600 power supply system accommodates an Industrial Ethernet/PROFINET interface with two connetions as well as four configurable outputs (voltage and current threshold) with selective monitoring. Other modules from the modular system can be added to expand the number of outputs (CNX8600) or to increase the mains buffering time (BUF8600, UPS8600/BAT8600) according to requirements - without additional wiring work. Comprehensive diagnostics and maintenance information is available via PROFINET and can be evaluated directly in SIMATIC S7 and visualized in SIMATIC WinCC. Energy management is also optimally supported through collection of energy data for each output and individual enabling and disabling of outputs via PROFIenergy. The unparalleled PSU8600 modular power supply system with full TIA integration sets a new standard for system reliability and efficiency.