Compare

6EP4437-7EB00-3DX0 SITOP SEL1400 sel. module, 24VDC/8x1-5A w. com. sign. contact or diagn. monitor

SITOP SEL1400 sel. module, 24VDC/8x1-5A w. com. sign. contact or diagn. monitor

We will send you the price and availability by email without delay
Unit:pcs
Code 1:SI_6EP4437-7EB00-3DX0
Code 2:6EP4437-7EB00-3DX0
Warranty:12
Warranty for companies: 12

Description

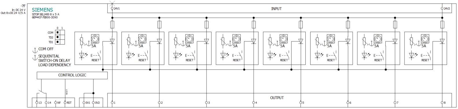
SITOP SEL1400 5 A selectivity module 8-channel with limiting characteristic input: 24 V DC/40 A output: 24 V DC/8x 5 A threshold adjustable 1-5 A with monitoring interface The selectivity module SITOP SEL1400 is the optimum expansion for all 24 V power supplies in order to distribute the load current to several current branches and monitor these. Overloads and short-circuits in one or more branches are detected reliably. Brief current peaks, e.g. due to high starting current, are permitted by the electronics. Branches with longer overloads are deenergized. This is ensured even with high-impedance lines and creeping short-circuits. The intact branches are supplied, thus minimizing system downtimes. Signaling of the faulty branch takes place via LEDs on the device as well as via a common signaling contact or diagnostics monitor. Whatever sector, whatever requirement, Siemens offers reliable and efficient power supplies for any system.

Technical specification

Ratings

You have already rated the product

Zboží bylo vloženo do hromadné poptávky

{common::4::askForPriceAddError}

Price inquiry

I am interested in the price and availability of this product.

Acceptance with the processing of personal data is mandatory.

Poptávku na cenu se nepodařilo odeslat
Poptávka na cenu byla odeslaná
Login to the newsletter was successful.
Something is wrong, contact us.

Košík obsahuje nepovolené položky

Košík je prázdný

Show basket

The article was added to comparison

Please wait...
Unable to complete your order, please try again later
Chyba při vložení do košíku
Nepovolená kombinace - košík obsahuje dárek z věrnostního programu, který je možné uplatnit pouze v samostatné objednávce.
Chyba při odebrání z košíku
Dárek lze uplatnit pouze v samostatné objednávce.
Dárek lze uplatnit pouze s nákupem alespoň jedné položky.
Máte blokované čerpání bodů
Error adding gift to cart
Pro vložení do košíku nemáte dostateční počet bodů
Dárek není skladem

Hlídání zboží bylo úspešně nastaveno. Budeme vás informovat emailem.

Požadavek nemůže být odeslán. Zkuste to znovu později