Compare

3RA2814-1AW10 Auxiliary switch, electron. delayed, OFF-delay with auxiliary voltage

Auxiliary switch, electron. delayed, OFF-delay with auxiliary voltage

We will send you the price and availability by email without delay
Unit:pcs
Code 1:SI_3RA2814-1AW10
Code 2:3RA2814-1AW10
Warranty:12
Warranty for companies: 12

Description

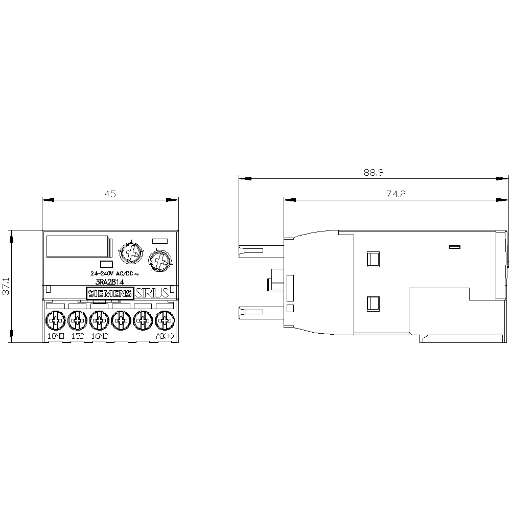
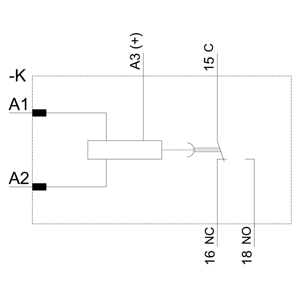
Solid-state time-delayed auxiliary switch, off delayed, with control signal, relay: 1 CO, time range 0.05-100 s, 24-240 V AC/DC, 50/60 Hz, varistor for attenuation of the contactor coils integrated, screw terminal, can be snapped onto the front on contactors 3RT20 and contactor relays 3RH2 Solid-state time-delay auxiliary switch SIRIUS 3RA28 for the delayed switching of downstream circuits for mounting on 3RT2 contactors and 3RH2 contactor relays. The electronically delayed auxiliary switches offer a high level of setting accuracy by means of switchable time ranges and have an integrated electrical interlock and a factory-fitted varistor (protective circuit). The simple plug-in facility requires no tools and permits the implementation of controller-independent time functions without any additional wiring. This enables you to avoid wiring errors and to reduce testing costs. The front mounting on the devices saves you space on the DIN rail. Thanks to international approvals (e.g. IEC, CCC, UL/CSA), the devices can be used worldwide. The solid-state time-delay auxiliary switches are available for 3RT2 contactors and 3RH2 contactor relays in sizes S00 to S3. They can be supplied with a flexible wide voltage range of 24-240 V AC/DC, selectable outputs 1 NO + 1 NC or 1 C and with screw or spring-loaded terminals. For the electronically delayed auxiliary switch, wiring kits and a sealable cover are available. SIRIUS relays - one range for every application.

Technical specification

Ratings

You have already rated the product

Zboží bylo vloženo do hromadné poptávky

{common::4::askForPriceAddError}

Price inquiry

I am interested in the price and availability of this product.

Acceptance with the processing of personal data is mandatory.

Poptávku na cenu se nepodařilo odeslat
Poptávka na cenu byla odeslaná
Login to the newsletter was successful.
Something is wrong, contact us.

Košík obsahuje nepovolené položky

Košík je prázdný

Show basket

The article was added to comparison

Please wait...
Unable to complete your order, please try again later
Chyba při vložení do košíku
Nepovolená kombinace - košík obsahuje dárek z věrnostního programu, který je možné uplatnit pouze v samostatné objednávce.
Chyba při odebrání z košíku
Dárek lze uplatnit pouze v samostatné objednávce.
Dárek lze uplatnit pouze s nákupem alespoň jedné položky.
Máte blokované čerpání bodů
Error adding gift to cart
Pro vložení do košíku nemáte dostateční počet bodů
Dárek není skladem

Hlídání zboží bylo úspešně nastaveno. Budeme vás informovat emailem.

Požadavek nemůže být odeslán. Zkuste to znovu později