Compare

3RB3123-4VB0 Overload relay 10-40 A motor protection S0, Class 5-30, contactor mounting

Overload relay 10-40 A motor protection S0, Class 5-30, contactor mounting

We will send you the price and availability by email without delay
Unit:pcs
Code 1:SI_3RB3123-4VB0
Code 2:3RB3123-4VB0
Warranty:12
Warranty for companies: 12

Description

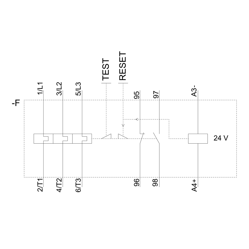
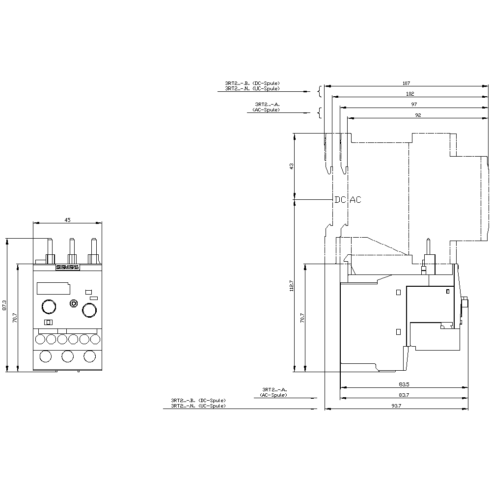
Overload relay 10...40 A Electronic For motor protection Size S0, Class 5...30 Contactor mounting Main circuit: Screw Auxiliary circuit: Screw Manual-Automatic-Reset Internal ground fault detection solid-state overload relay SIRIUS 3RB3 for inverse-time delayed protection of loads with normal and heavy starting against excessive temperature rises due to overload, phase unbalance or phase failure. Due to the wide current setting ranges and various tripping characteristics, complete series of motors are covered with just a few types. With their low heat loss, they are particularly energy-efficient and help to reduce the temperature rise in the control cabinet. Worldwide approvals (e.g. IEC and UL/CSA) and applications in hazardous areas (ATEX) are a matter of course. The 3RB31 version offers enhanced functions, such as an integrated, electrical remote reset or ground fault detection, to name but a few. Can be supplied with different setting ranges of the overload release and with different trip classes. They are available with screw or spring-loaded terminals for fast, maintenance-free and vibration-proof connection, as well as for stand-alone installation. The accessories consistently fit all sizes fromS00 to S3. Simple, efficient and always up to date - SIRIUS modular system.

Technical specification

Ratings

You have already rated the product

Zboží bylo vloženo do hromadné poptávky

{common::4::askForPriceAddError}

Price inquiry

I am interested in the price and availability of this product.

Acceptance with the processing of personal data is mandatory.

Poptávku na cenu se nepodařilo odeslat
Poptávka na cenu byla odeslaná
Login to the newsletter was successful.
Something is wrong, contact us.

Košík obsahuje nepovolené položky

Košík je prázdný

Show basket

The article was added to comparison

Please wait...
Unable to complete your order, please try again later
Chyba při vložení do košíku
Nepovolená kombinace - košík obsahuje dárek z věrnostního programu, který je možné uplatnit pouze v samostatné objednávce.
Chyba při odebrání z košíku
Dárek lze uplatnit pouze v samostatné objednávce.
Dárek lze uplatnit pouze s nákupem alespoň jedné položky.
Máte blokované čerpání bodů
Error adding gift to cart
Pro vložení do košíku nemáte dostateční počet bodů
Dárek není skladem

Hlídání zboží bylo úspešně nastaveno. Budeme vás informovat emailem.

Požadavek nemůže být odeslán. Zkuste to znovu později