Popis
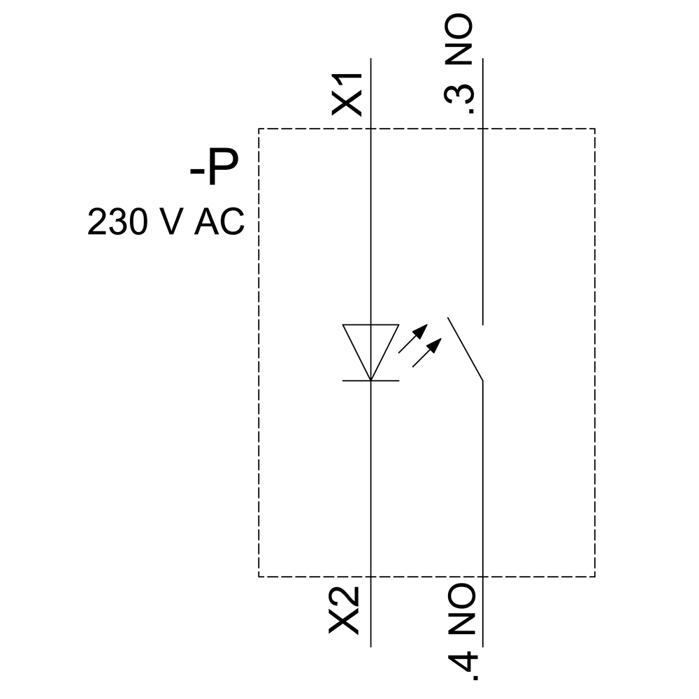
Prosvětlené tlačítko, 22 mm, kulaté, kovové, ve vysokém lesku, barva: modrá, stiskací knoflík, plochý, vratné, s držákem, 1NO, LED modul s integrovanou LED diodou AC 230 V, šroubová svorka prosvětlené tlačítko SIRIUS ACT k zapnutí a řízení elektrických spotřebičů. Pod ochrannou známkou SIRIUS ACT nabízí firma Siemens jedinečné portfolio povelových a signalizačních zařízení se schváleními produktů po celém světě ve tři moderních desginových řadách, vyrobených z odolného pravého kovu a vysoce kvalitního plastu.Inovativní koncepce založená na principu zacvakávání usnadňuje montáž do té míry, že vše zvládnete hravě jednou rukou a bez použití speciálního nářadí. Funkci montážních otvorů přebírají otvory bez drážek, opatřené už 100% ochranou proti přetočení.Díky všeobecně vysokému stupni krytí jsou tato odolná zařízení vhodná pro průmyslové a venkovní použití. Dokonce je u nich možné i čištění vysokotlakým paprskem. Spolehlivý provoz nedokáže narušit ani prach, oleje nebo agresivní louhy.Kromě standardního zapojení lze tato zařízení připojit k řídicí jednotce i přes PROFINET, AS-Interface nebo IO-Link. Tím snížíte své náklady na kabeláž, minimalizujete zdroje chyb a získáte vyšší flexibilitu.Grafický online konfigurátor pohodlně pomůže s výběrem a objednáním jednotlivých součástek, krytů a popisků. K dispozici je rozsáhlá dokumentace (např. příručka, 3D data, schémata zapojení). Dodáváme tato provedení: více barev, prosvětlené/neprosvětlené, s popiskem/bez popisku, zaklapávací/impulzové ovládání, různé výšky tlačítek a čelních kroužků. Upozornění: Kompletní zařízení, dodávka včetně držáků a modulů. SIRIUS ACT - Performance in Action při udělování příkazů a hlášení. Jednoduše smontovatelný, jednoduše silný, jednoduše perfektní.