Popis
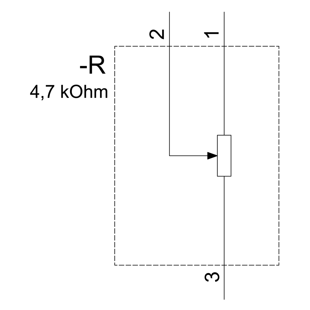
Potenciometr, kompaktní, 22 mm, kulatý, plastový, barva: černá, 4,7k Ohm, s držákem, šroubová svorka potenciometr SIRIUS ACT s otočným knoflíkem k mechanickému regulování různých hodnot odporu. Pod ochrannou známkou SIRIUS ACT nabízí firma Siemens jedinečné portfolio povelových a signalizačních zařízení se schváleními produktů po celém světě ve tři moderních desginových řadách, vyrobených z odolného pravého kovu a vysoce kvalitního plastu.Inovativní koncepce založená na principu zacvakávání usnadňuje montáž do té míry, že vše zvládnete hravě jednou rukou a bez použití speciálního nářadí. Funkci montážních otvorů přebírají otvory bez drážek, opatřené už 100% ochranou proti přetočení.Díky všeobecně vysokému stupni krytí jsou tato odolná zařízení vhodná pro průmyslové a venkovní použití. Dokonce je u nich možné i čištění vysokotlakým paprskem. Spolehlivý provoz nedokáže narušit ani prach, oleje nebo agresivní louhy.Kromě standardního zapojení lze tato zařízení připojit k řídicí jednotce i přes PROFINET, AS-Interface nebo IO-Link. Tím snížíte své náklady na kabeláž, minimalizujete zdroje chyb a získáte vyšší flexibilitu.Grafický online konfigurátor pohodlně pomůže s výběrem a objednáním jednotlivých součástek, krytů a popisků. K dispozici je rozsáhlá dokumentace (např. příručka, 3D data, schémata zapojení). Dodáváme tato provedení: 6 různých hodnot odporu. Upozornění: Kompaktní přístroj s integrovaným potenciometrem. Dodávka včetně držáků. SIRIUS ACT - Performance in Action při udělování příkazů a hlášení. Jednoduše smontovatelný, jednoduše silný, jednoduše perfektní.